
★日本三木ネツレン株式会社,成立于1870年,拥有150年以上历史和业绩的,已取得ISO9001、ISO9002、ISO9001:2000认证,在设计、锻造、机械加工、热处理、组装到检测的整套生产系统中,所有工序都严格执行严格的质量管理。
★龙海起重工具有限公司2011年6月开始销售日本三木NETSUREN品牌产品,保证不做假货、仿货、拆件货,原装进口假一罚百,附带原厂检测报告说明书及合格证等原厂文件。
★NETSUREN HA-60型横吊钢板钳,手动锁定式,载重1-3t,开口大小0-40mm,5倍以上安全系数,吨位可定制。
★可广泛应用于土木工程、钢结构、建筑、桥梁架设等相关领域。


●NETSUREN HA-60型横吊钢板钳,最适用于H型钢等型钢及钢骨构件的搬运与安装。
●夹持部位采用分体式设计,NETSUREN HA-60型横吊钢板钳可沿H型钢长度方向进行夹持。
●NETSUREN HA-60型横吊钢板钳为强力型吊具,最大吊装角度可达60°,有助于保障现场作业安全。



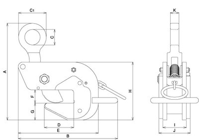
载荷 | 开口范围 | A | B | C | C1 | D | E | F | G | H | I | J | K | 自重(kg) |
1TON | 0~30 | 233 | 246 | 42 | 70 | 65 | 193 | 32 | 35 | 137 | 78 | 106 | 18 | 5.2 |
2TON | 0~35 | 264 | 294 | 45 | 80 | 80 | 238 | 37 | 45 | 162 | 96 | 132 | 25 | 9.5 |
3TON | 0~40 | 308 | 317 | 50 | 90 | 95 | 260 | 43 | 55 | 188 | 102 | 156 | 28 | 14.3 |

NETSUREN HA-60型横吊钢板钳为日本原装进口产品,保质1年,我公司承诺凡是客户在我公司定购的进口类产品均为原装正品,绝不存在拆件货,换件货,假冒品牌产品,凡客户从我公司定购NETSUREN产品如收到货物时发现有拆件货,换件货,假冒、假货仿货均以100倍金额赔偿。